宇錡科技有限公司
氣壓軸.滑差軸.差速環.中空式套夾.機械式夾頭.滑差環.安全夾頭.展開輪.靜電刷
首頁
/
產業資訊訊息列表
/
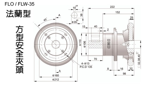
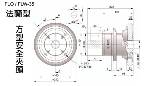
方型安全夾頭35型-法蘭型規格及尺寸圖
方型安全夾頭35型-法蘭型規格及尺寸圖
方型安全夾頭35型-法蘭型規格及尺寸圖
方型安全夾頭35型-法蘭型FLO/FLW規格: 1.最大荷重:1600kg 2.承受最大扭力:35kgm 3.方型孔標準尺寸(mm):32、38、40 ◎出軸心直徑標準φ35,軸長70mm ◎出軸心可依客戶需求修改
產品詢價與合作洽詢
嗨,想詢價或有問題都可以直接寫在下面,不用寫得很正式,我們看得懂就好,留下聯絡方式後,我們會盡快回覆你
想詢問什麼呢?
需求說明
我們怎麼稱呼你?
聯絡電話
e-mail
公司統編
公司名稱
LINE ID
認證碼
為避免垃圾訊息,請協助輸入驗證碼,謝謝您的耐心
To:
宇錡科技有限公司
聯絡人:程**
Email:y**i******@msa.hinet.net
免費詢價 / 詢問看看
https://childepi.tw66.com.tw/web/News?postId=1327394
全身手腳抽動(抽搐), 不省人事”是否就是癲癇
全身手腳抽動(抽搐), 不省人事”是否就是癲癇
宇錡科技
服務簡介
產品介紹
產業資訊
歷史詢價
聯絡我們
首 頁
打造一個會做生意的網站,自帶流量、保證有單!
前往了解