宇錡科技有限公司
氣壓軸.滑差軸.差速環.中空式套夾.機械式夾頭.滑差環.安全夾頭.展開輪.靜電刷

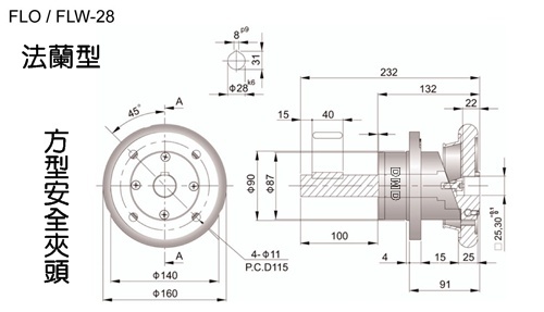
方型安全夾頭28型-法蘭型規格及尺寸圖

方型安全夾頭28型-法蘭型規格及尺寸圖

方型安全夾頭28型-法蘭型FLO/FLW規格: 1.最大荷重:800kg 2.承受最大扭力:18kgm 3.方型孔標準尺寸(mm):25、30 ◎出軸心直徑標準φ28,軸長100mm ◎出軸心可依客戶需求修改

詢價留言

您好,如有任何詢價需求,請善用這裡的【詢價留言】我們在收到您的留言時,會盡快處理及回覆!

驗證碼圖片驗證碼圖片驗證碼圖片驗證碼圖片
同步成為台灣黃頁詢價供應商。
To:
宇錡科技

聯絡人:程**

Email:y**i******@msa.hinet.net

詢價回覆率:100%

免費諮詢
https://04-25271292.web66.com.tw/web/News?postId=1327365親子數學快樂學習營

親子數學快樂學習營

打造一個會做生意的網站,自帶流量、保證有單! 前往了解